منتجات
400-820-9728
فئات المنتجات
خرطوم
مشترك
المعدات الهيدروليكية
صمامات التحكم في السوائل
أنبوب فولاذي

Menu

منتجات
خرطوم
مشترك
400-820-9728

KF6J9

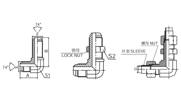
وصلة ذكر JIC بزاوية 90 درجة وقطر 74 درجة لتركيب المخروط الخارجي عبر اللوحة

ملحوظة: إذا كنت بحاجة إلى الطلب مع صامولة القفل، فيرجى إضافة "LN" بعد الرمز، مثل 6J9-12LN. 

يجب طلب الصواميل والبطانات بشكل منفصل. عندما يكون قطر الأنبوب D متريًا، يجب أن تكون الصواميل والبطانات المطابقة NB200 وNB500

 على التوالي. عندما يكون قطر الأنبوب إمبراطوريًا، يجب أن تكون الصواميل والبطانات المطابقة NB200 وNB300 على التوالي.


تصفية حسب:
رقم الطلب الخيط E الخيط F الخيط G A B C D L S1 S2 S3 نهاية الحلقة F وسادة مطاطية نهاية F

● المواد: الكربون الصلب / الفولاذ المقاوم للصدأ
● مادة عالية القوة ، مقاومة للتآكل ، مقاومة للضغط العالي
● مناسبة لجميع أنواع البيئات الصناعية القاسية
● أداء ختم ممتاز لضمان عدم وجود تسرب وتوفير اتصال طويل الأمد ومستقر لمعداتك