منتجات
400-820-9728
فئات المنتجات
خرطوم
مشترك
المعدات الهيدروليكية
صمامات التحكم في السوائل
أنبوب فولاذي

Menu

منتجات
خرطوم
مشترك
400-820-9728

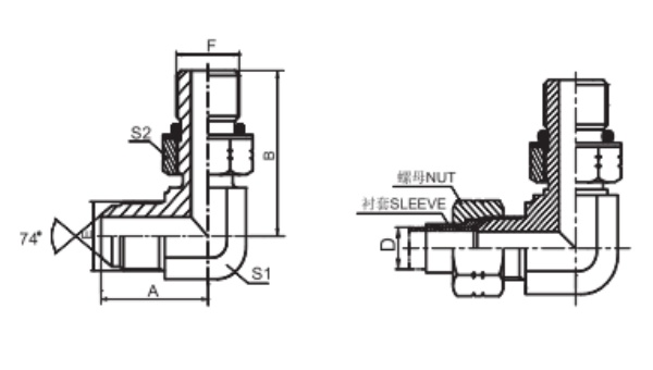
KF1JO9-OG

90 درجة ثني أمريكي JIC ذكر الموضوع 74 درجة ذكر تفتق / SAE ذكر الموضوع مع سلسلة O-Ring الخفيفة
ISO11926-3

ملاحظة: يجب طلب 1 الجوز والبطانة بشكل منفصل. عندما يكون القطر D للأنبوب متريا ، فإن الجوز والبطانة هما NB200 و NB500 

على التوالي. عندما يكون قطر الأنبوب داخليا ، فإن الجوز والبطانة هما NB200 و NB300 على التوالي. 2 يتم اقتران الطرف F بمنافذ ISO 11926-1.

تصفية حسب:
رقم الطلب الخيط E الخيط F الخيط G A B C D L S1 S2 S3 نهاية الحلقة F وسادة مطاطية نهاية F

● المواد: الكربون الصلب / الفولاذ المقاوم للصدأ
● مادة عالية القوة ، مقاومة للتآكل ، مقاومة للضغط العالي
● مناسبة لجميع أنواع البيئات الصناعية القاسية
● أداء ختم ممتاز لضمان عدم وجود تسرب وتوفير اتصال طويل الأمد ومستقر لمعداتك