منتجات
400-820-9728
فئات المنتجات
خرطوم
مشترك
المعدات الهيدروليكية
صمامات التحكم في السوائل
أنبوب فولاذي

Menu

منتجات
خرطوم
مشترك
400-820-9728

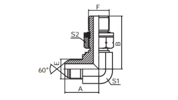
KF1SG9-OG

90 درجة عازمة اليابانية البريطانية الأنابيب الذكور الموضوع 60 درجة مخروط خارجي / الأنابيب البريطانية الذكور الموضوع يا الدائري
ملاحظة: يتم اقتران الطرف F بمنفذ DIN 3852.

تصفية حسب:
رقم الطلب الخيط E الخيط F A B L S1 S2 نهاية الحلقة F

● المواد: الكربون الصلب / الفولاذ المقاوم للصدأ
● مادة عالية القوة ، مقاومة للتآكل ، مقاومة للضغط العالي
● مناسبة لجميع أنواع البيئات الصناعية القاسية
● أداء ختم ممتاز لضمان عدم وجود تسرب وتوفير اتصال طويل الأمد ومستقر لمعداتك


المنتجات ذات الصلة